Fliegl Turbofüller 460D - AKTION Cisterna s čerpadlem
Fliegl Turbofüller 460D - AKTION Cisterna s čerpadlem
Karl Deschberger Landtechnik
Turbofüller 460D - AKTION
Fliegl Turbofüller 460D 6 Zoll mit Reinigungsklappe für Linksanbau, Hydraulikschlauch NW 12/3500 mm / 15 mm Leitung / SW: 27 / für Schelle 20 mm, Hydraulikschlauch NW 16/3500 mm / 18 mm Leitung / SW: 32 / für Schelle 25 mm
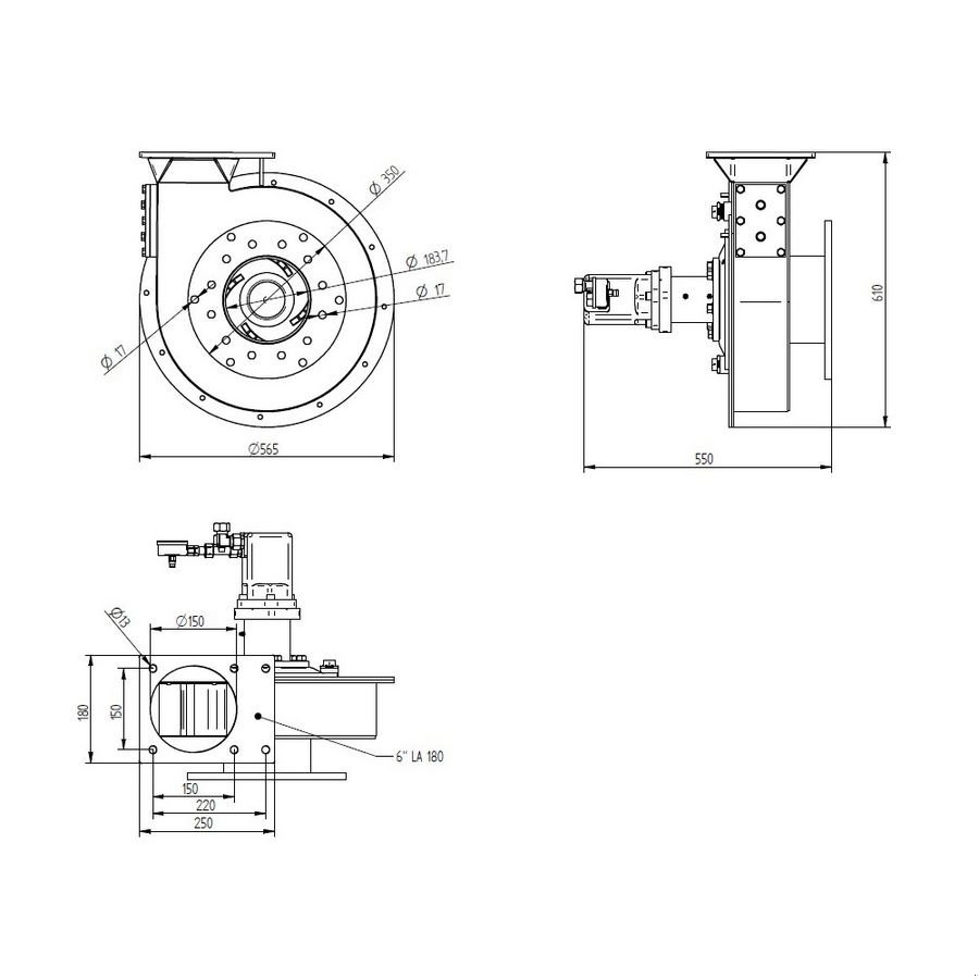
Er kann an jedes Vakuumfass über den Ansaugflansch des Ansaugschiebers mit 4 Schrauben angebaut werden. Der Befüller ist mit einem Ölmotor aus der Industrie für Hochdruckdauerleistung von mehr als 20 kW ausgestattet. Durch diese neuartige großvolumige Ausführung kann bei einer Ansaugleitung von Ø 150 mm und einer Saughöhe von ca. 4 m eine Ansaugleistung von ca. 6.000 ltr. / Minute erreicht werden.
Mit dieser neuen Version kann man, sobald die Gülle im Turbobefüller ist, den Kompressor abschalten. Der Befüller drückt die Gülle auch ohne Vakuum in den Behälter. Somit hat man weniger Verschleiß und das Fass wird auch bei dickflüssiger Gülle bis zu 100 % voll. Die Pumpe kann auch während der Fahrt ein- und ausgeschaltet werden (Doppellagerung, Ölmotor außerhalb). Besonders hohe Lebensdauer durch spezielle Lagerung und Abdichtung. Er dient zur Entlastung Ihres Kompressors und befüllt das Vakuumfass in wenigen Minuten randvoll!
Zur Montage am Fass benötigen sie noch den Bogen 6 Zoll
.
Technische Daten: Flügelrad-Durchmesser: 350 mm, Außendurchmesser: 565 mm, Länge: ca. 250 mm (ohne Ölmotor), Ölantrieb mit starkem Industriemotor bis 200 bar Dauerdruck. Achtung: erforderliche Ölleistung mind. 50 ltr.
Dostávejte nezávazné nabídky

| Kontaktní informace | |
|---|---|
| Christoph Deschberger Prodej, Použité stroje, Nové stroje | |
Mobil:+43 (0) 6643930644 | |
Jazyky: Německy, Anglicky |
Správnou nabídku pojištění pro tento stroj najdete zde.
AT-A 4774 St. Marienkirchen
Od po 7 Roky 11 měsících u technikboerse.com
Tiráž a detailyOberfucking 8
AT-4774 St. Marienkirchen/Schärding
Vertreten durch:
Ing. Christoph Deschberger, GF
Rechtsform:
Gesellschaft mit beschränkter Haftung & Compagnie Kommanditgesellschaft
Kontakt:
Tel. +43 (0) 7711 2264-0
Mail: office@deschberger-landtechnik.at
Umsatzsteuer-ID:
UID-Nummer: ATU23948600
Zollnummer:
EORI-Nummer: ATEOS1000004553
Registereintrag:
Firmenbuchnummer: FN 18472s
Firmenbuchgericht: Handelsgericht Ried/Innkreis
- Klikněte na tlačítko Přihlásit se k odběru u prodejce.
- Přihlášené prodejce a jejich nabídky najdete v části Požadavky na vyhledávání.
Wir sind ein Familienunternehmen mit Tradition und das zeichnet uns aus. Der persönliche Kontakt und die individuelle Unterstützung und Beratung jedes Kunden ist uns besonders wichtig. Bei uns steht einfach der Mensch mit seinen Bedürfnissen im Vordergrund!
Christoph Deschberger
